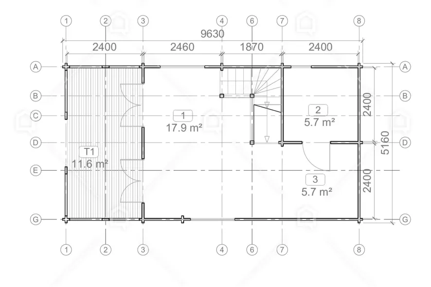
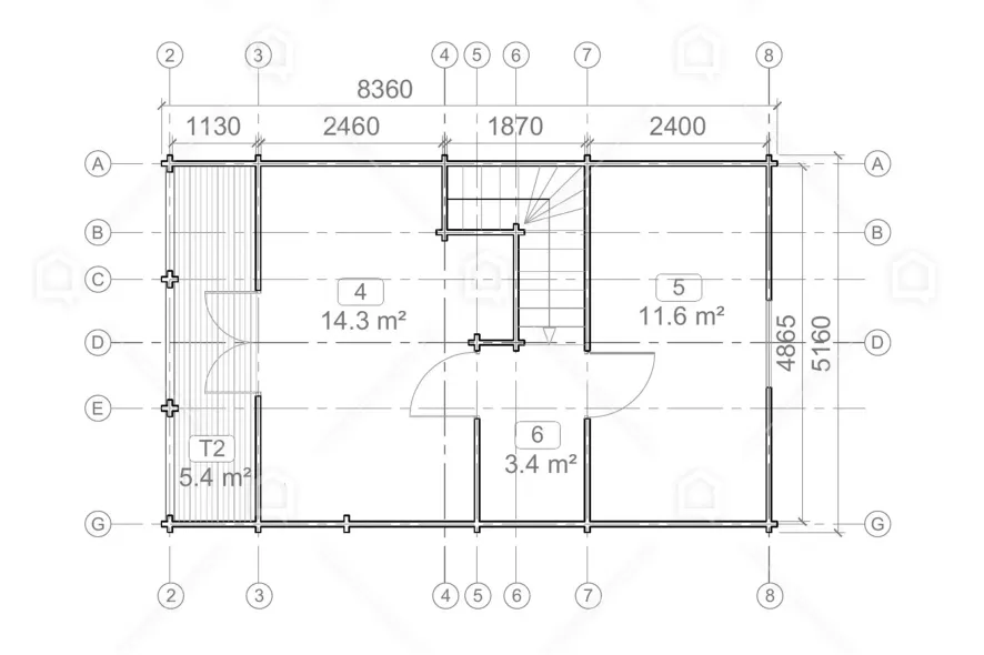
"Sofia" est une maison en bois de près de 60 m² avec des éléments de design traditionnels. Cette maison est conçue pour avoir tous les espaces fonctionnels nécessaires à une vie permanente : un espace commun pour le salon et la cuisine, trois chambres et une salle de bain. En cas de besoin, l'une des chambres peut être transformée en bureau ou en placard. Cette maison en bois a deux étages qui occupent la même surface. Le premier étage est destiné aux loisirs, le deuxième étage - au repos. L'avantage de la maison "Sofia" est une grande terrasse, presque 12 m², avec une clôture qui ajoute de la convivialité. Un autre avantage est un balcon du même style. La terrasse et le balcon sont tous deux sous le toit, de sorte qu'il est agréable d'y passer du temps qu'il pleuve ou que le soleil soit brûlant. La surface totale de la maison, y compris la terrasse, est de plus de 70 m². C'est une taille idéale pour toutes les familles, même les plus petites. Grâce aux grandes fenêtres de la chambre et du salon, cette maison est lumineuse et confortable toute l'année.
La maison en bois "Sofia", comme les autres maisons que nous proposons, peut être modifiée pour répondre aux souhaits de chacun ! Dites-nous comment vous imaginez votre maison et nous la concevrons et la construirons !
Toutes les visualisations des projets sur le site et les attributs de la maison qui y sont utilisés sont à des fins commerciales uniquement et ne peuvent être considérés comme un exemple incontestable du projet.















